Home| FAQ Search:Advanced|Person|Company| Type|Class Login
Quick search:
Patent number:
Patent Date:
first    back  next  last
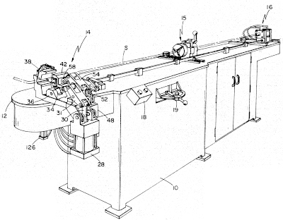
US Patent: 3,545,247
Bending machine
Patentee:
Raymond John Fazzini (exact or similar names) - Pawtucket, RI

USPTO Classifications:
72/149, 72/310, 72/311

Tool Categories:
metalworking machines : metal bending machines

Assignees:
Maclodyne Corp. - East Providence, RI

Manufacturer:
Maclodyne Corp. - East Providence, RI
Torrington Co. - Waterbury, CT

Witnesses:
Unknown

Patent Dates:
Applied: Oct. 08, 1968
Granted: Dec. 08, 1970

Patent Pictures:
USPTO (New site tip)
Google Patents
Report data errors or omissions to steward Jeff Joslin
Vintage Machinery entry for Torrington Co.

Copyright © 2002-2026 - DATAMP