Home| FAQ Search:Advanced|Person|Company| Type|Class Login
Quick search:
Patent number:
Patent Date:
first    back  next  last
US Patent: 310,260
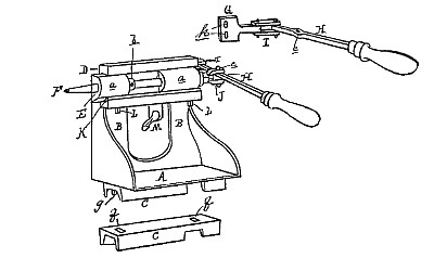
Tail Stock for Lathes
Patentee:
Alexander Dodds (exact or similar names) - Grand Rapids, Kent County, MI

USPTO Classifications:
82/148

Tool Categories:
woodworking machines : wood lathes : wood lathe accessories

Assignees:
None

Manufacturer:
Not known to have been produced

Witnesses:
Thomas B. Williams
William Wisner Tayler

Patent Dates:
Applied: Dec. 12, 1883
Granted: Jan. 06, 1885

Patent Pictures: [ 1 | 2 ]
USPTO (New site tip)
Google Patents
Report data errors or omissions to steward Joel Havens
Vintage Machinery entry for Alexander Dodds Co.
Description:
Abstract:

This invention relates to certain new and useful improvements in the constriction of tailstocks for lathes; and the invention consists in the peculiar construction and arrangements of the parts, by means of which the tail spindle is permitted to revolve with the work being turned, and it is easily adjusted and kept in alignment.

Claim:

A tailstock for lathes, provided with a 9 crosshead having bearings and arranged to move parallel with the bed of the lathe, a spindle revolving in said bearings, and the means, substantially as described, for sliding such crosshead and bearings lengthwise of the spindle in the tail-stock

Copyright © 2002-2026 - DATAMP